SVNX神視CS1-F/J/U/G/S D-A93磁性開關氣缸傳感器2線3線式NPN常開










CMSE-020二線制2米
CMSG-020二線制2米
CMSH-020二線2米
CMSJ-020二線制2米
CS10-G020
CS1-A CS1-E CS1-F CS1-F (1.5米) CS1-F 020 CS1-F020 CS1-FB(常閉型) CS1-G CS1-G (1.5米)
CS1-G 020 CS1-H CS1-H 020 CS1-J CS1-J (1.5米) CS1-J 020 CS1-J020 CS1-JB(常閉型) CS1-M(直插型)
CS1M-020S10 CS1-M020-S10
CS1A-020 CS1M-020S12
CS1-M020-S12 CS1M-020S16 CS1-M020-S16 CS1-M020-S20 CS1M-020S25 CS1-M020-S25 CS1M-020S32
CS1-M020-S32 CS1M-020S40 CS1-M020-S40 CS1M0-20S50 CS1-S CS1-S (1.5米) CS1-SB(常閉型)
CS1-U CS1-U 020 CS1-U(1.5米) CS1-U020 CS1-UB(常閉型)
D-A54 D-A73 D-A93 D-C73 D-F8B D-F8N D-M9B D-M9N D-M9P
DMSE-020 DMSE-020二線制2米 DMSG-020 DMSG-020二線制2米 DMSG-N020 DMSH-020
DMSH-020二線制2米 DMSJ-020二線制2米 DS1A-020 D-Z73 M10(SC80-SC100缸徑) M12(SC125缸徑)
M16(SC160缸徑) M20(SC200缸徑) M6(SC32-50缸徑 M8(SC63缸徑)
液壓系統減壓閥壓力不穩定故障分析
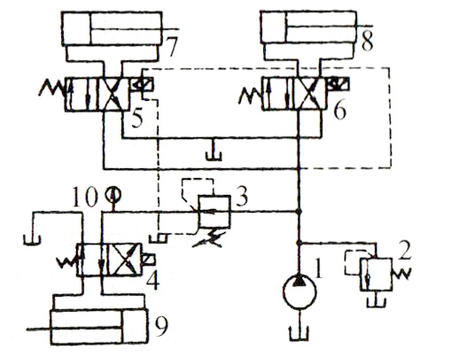
如下圖所示液壓系統 中。液壓泵為定量泵,主油路中液壓缸7和8分別由二位四通電液換向閥5和6控制運動方向,電液換向閥的控制油液來自主油路。液壓缸9由減壓閥減壓后的壓力油通過4、2換向閥控制伸出與縮回。電液換向閥控制油路與減壓閥的外泄油路全流后回油箱。

(一)故障現象
減壓閥后壓力波動大。
(二)故障原因
1、減壓閥閥前壓力的最低值低于減壓閥后的壓力值。
2、執行機構負載不穩定。在液壓缸減壓回路中,只有在執行機構具有足夠負載前提下,減壓閥前閥后壓力才能保持穩定值。即負載低于減壓閥調定值時,減壓閥后的壓力值隨負載而變化。
3、液壓缸的內外泄漏。
4、液壓油污染造成減壓閥動作不穩定或減壓閥本身故障。如減壓閥主閥芯由于贓物而卡死,閥后壓力就高于或低于調定值;如果其先導錐閥與閥座封閉不嚴,減壓閥的閥后壓力就低于調定值。
(三)故障排除
1、當主油路壓力低于減壓閥最低調定壓力時,在減壓閥前增設單向閥,單向閥與減壓閥間須增加蓄能器等。
2、更換液壓缸泄漏處密封件。
3、定期檢查液壓油是否變質,及時更換變質液壓油。
本文由蘇州逐利機電整理發布,如需轉載請瀏覽來源及出處,原文地址:http://www.ziboruibo.cn/kg/380.html






留言信息